Thiết kế Jig gá là công đoạn quan trọng trong gia công cơ khí, chế tạo máy móc nói riêng và lắp ráp dây chuyền sản xuất tự động hóa nói chung. Jig gá giúp cố định sản phẩm dễ dàng lắp ráp, gia công và kiểm tra. Tìm hiểu quy trình tạo ra bản vẽ Jig gá đúng chuẩn dưới đây.
1. Trình tự thiết kế đồ Jig gá thế nào?
Jig gá là thiết bị cần thiết và được sử dụng trong suốt quá trình gia công cơ khí vật liệu. Jig gá giữ nhiệm vụ xác định vị trí của chi tiết gia công so với máy và dụng cụ cắt. Cố định chi tiết đã định vị để tiến hành gia công, không làm xê dịch hay rung động. Không chỉ vậy, Jig gá còn xác định vị trí và dẫn hướng dụng cụ cắt để cắt với độ chính xác cao. Tạo thêm các chuyển động để gia công các chi tiết phức tạp.
Jig gá góp phần nâng cao mức độ cơ khí hóa – tự động hóa, tiết kiệm chi phí nhân công và thời gian thực hiện. Bên cạnh đó Jig gá cũng giúp quá trình gia công, lắp ráp các chi tiết trở nên chính xác hơn. Gia công được các vật liệu khí mà không cần sử dụng thợ bậc cao.
Jig gá được phân thành nhiều loại khác nhau, bao gồm: Jig gá hàn, Jig gá lắp ráp, Jig gá kiểm tra, Jig gá phay, Jig gá nén ép,…
Giữa rất nhiều loại Jig gá như vậy, sản xuất ra được loại phù hợp với nhu cầu của mỗi doanh nghiệp là điều rất quan trọng để nâng cao hiệu quả sản xuất. Để sản xuất đúng loại Jig gá, người kỹ sư cần có chuyên môn về gia công cơ khí, am hiểu về yêu cầu sử dụng của doanh nghiệp và tuân thủ theo quy trình sau đây:
- Bước 1: Thiết kế nguyên lý hoạt động của Jig gá
- Bước 2: Thiết kế bản vẽ kết cấu cụ thể theo đúng tỷ lệ của Jig gá
- Bước 3: Kiểm tra khả năng tháo lắp nhanh để điều chỉnh thiết kế lại ở bước 2
- Bước 4: Vẽ tách và điều chỉnh chi tiết trong bản vẽ gốc
- Bước 5: Tiến hành hiệu chỉnh bản vẽ
2. Hướng dẫn tính toán thiết kế đồ Jig gá
Một trong những bước quan trọng giúp tạo ra một sản phẩm Jig gá đúng tiêu chuẩn chính là tính toán các thông số liên quan như lực kẹp, đường kính bu lông và sai số chế tạo.
2.1. Tính toán lực kẹp cần thiết
Để có được lực kẹp chặt phôi cần thiết, trước tiên Jig gá phải được xác định theo các bước sau đây:
Bước 1: Xác định sơ đồ định vị và kẹp phôi, xác định phương, chiều, điểm đặt của lực ma sát, lực kẹp, lực cắt, lực ly tâm và phản lực của mặt tiếp xúc.
Bước 2: Xác định phương trình cân bằng của các lực được tạo ra: lực ma sát, lực kẹp, lực cắt, lực ly tâm với lực phản của mặt tiếp xúc.
Bước 3: Xác định hệ số an toàn K. Hệ số K được tính bao gồm tất cả những trường hợp làm tăng lực cắt trong quá trình gia công.
K = K0*K1*K2*K3*K4*K5*K6
Trong đó:
- K0 là hệ số an toàn áp dụng cho tất cả các trường hợp
- K1 là hệ số an toàn tính đến trường hợp tăng lực cắt khi độ bóng sản phẩm thay đổi
- K2 là hệ số an toàn tính đến trường hợp tăng lực cắt khi dao mòn
- K3 là hệ số an toàn tính đến trường hợp tăng lực cắt khi quá trình gia công bị gián đoạn
- K4 là hệ số an toàn tính đến sai số của cơ cấu kẹp chặt
- K5 là hệ số an toàn tính đến mức độ thuận lợi của cơ cấu kẹp
- K6 là hệ số an toàn tính đến momen làm chi tiết quay
Bước 4: Dựa vào phương trình cân bằng vừa xác định, xác định lực kẹp cần thiết
2.2. Tính toán đường kính bu lông
Tùy thuộc vào lực kẹp và lực vặn của từng Jig gá mà kỹ sư nên tính toán và thiết kế kích cỡ đường kính bu lông sao cho chuẩn xác nhất.
Tham khảo bảng tra kích thước bu lông chuẩn dưới đây:
| Bu lông | Chiều cao đầu bu lông | Đường kính đầu bu lông |
| M2 | 2 mm | 3.8 mm |
| M3 | 3 mm | 5.5 mm |
| M4 | 4 mm | 7 mm |
| M5 | 5 mm | 8.5 mm |
| M6 | 6 mm | 10 mm |
| M8 | 7 mm | 13 mm |
| M10 | 10 mm | 16 mm |
| M12 | 12 mm | 18 mm |
| M16 | 16 mm | 24 mm |
| M20 | 20 mm | 30 mm |
| M24 | 24 mm | 36 mm |
| M30 | 30 mm | 45 mm |
2.3. Tính sai số chế tạo Jig gá
Tính toán sai số Jig gá cho phép kỹ sư biết được sự sai lệch của Jig gá so với tiêu chuẩn đề ra ban đầu. Thông thường sai số này thỏa mãn bằng một nửa dung sai của kích thước Jig gá thì đạt yêu cầu.
Công thức tính sai số Jig gá:

Trong đó:
- εg là sai số của Jig gá
- εc là sai số chuẩn
- εkl à sai số kẹp
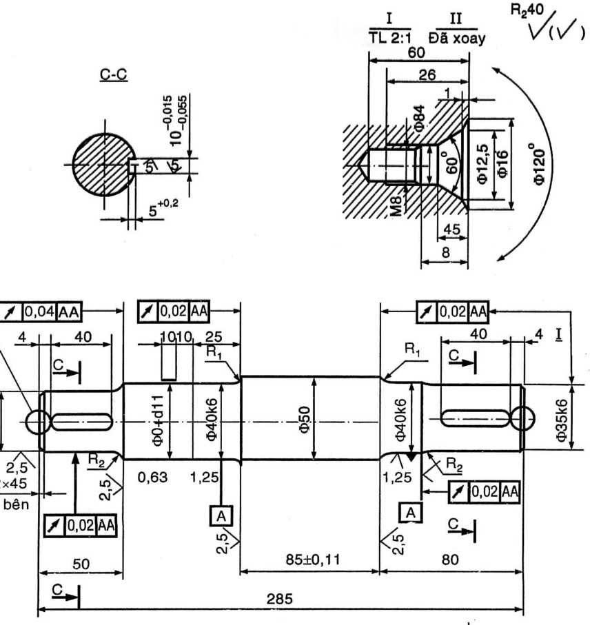
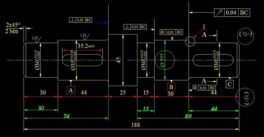
3. Một số bản vẽ thiết kế Jig gá cơ bản
Mỗi doanh nghiệp sẽ có những yêu cầu riêng về Jig gá. SN VINA cung cấp một số mẫu bản vẽ thiết kế Jig gá cơ bản mà bạn có thể tham khảo cho doanh nghiệp mình dưới đây:


4. Dịch vụ nhận thiết kế Jig gá cho doanh nghiệp
Để mang lại hiệu quả cao nhất, trước tiên Jig gá phải được tạo ra chính xác theo thiết kế và yêu cầu trên bản vẽ. Jig gá phải có khả năng cố định và kẹp chặt sản phẩm. Do vậy, doanh nghiệp cần có đội ngũ kỹ sư có kiến thức chuyên môn, chuyên nghiệp đảm bảo jig gá đạt chuẩn.
Một cách đơn giản hơn đó là doanh nghiệp có thể lựa chọn đơn vị chuyên gia công, thiết kế Jig gá để hợp tác. SN VINA với công nghệ và máy móc hiện đại cùng đội ngũ kỹ sư được đào tạo bài bản, chuyên nghiệp chính là lựa chọn hoàn hảo cho mọi doanh nghiệp.
Với hơn 05 năm kinh nghiệm hoạt động trong lĩnh vực gia công cơ khí, SN VINA đã và đang mang đến những sản phẩm gia công cơ khí Jig, gá chất lượng với giá thành phải chăng cho nhiều khách hàng trên khắp cả nước, phải kể đến như:
-
Jig gá cắt vải
-
Jig xoắn dây
-
Jig kiểm tra độ rộng cuộn dây
-
Jig lắp ráp chi tiết máy
-
…
Để biết thêm chi tiết và được tư vấn thiết kế Jig gá chuẩn xác, khách hàng vui lòng liên hệ với SN VINA để được tư vấn và hỗ trợ miễn phí.
CÔNG TY TNHH SN VINA
-
Địa chỉ: Đường cách mạng tháng 10, Khu công nghiệp Sông Công I, Tổ dân phố Dọc Dài, Phường Bách Quang, TP Sông Công, Tỉnh Thái Nguyên
-
Web: Snvina.com – Tel: 0879456888
-
Email: sn1@snvina.vn